Non ci sono articoli nel tuo carrello
Prodotti
SCHEDA ARTICOLO

6317/C4

CUSCINETTO
Codice: 50462
Disponibilità: disponibile
Disponibilità: 11 disponibile
Marca: SKF
Unità di misura: NR
Quantitativi ammessi: multipli di 1X
Da preventivare

Descrizione

Dimensioni: Foro: 85 mm Diametro: 180 mm Spessore: 41 mm Peso: 4,16 kg


Dettagli

  • EAN-Code : 07316577297945
  • Taric number : 84821090

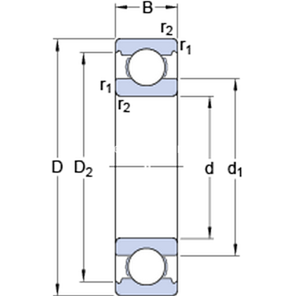
Dimensioni
d 85mm
D 180mm
B 41mm
d1114.55mm
D2155.4mm
r1,2min.3mm
Dimensioni Dello Spallamento
damin.99mm
Damax.166mm
ramax.2.5mm
Dati Di Calcolo
Coefficiente di carico dinamicoC 140kN
Coefficiente di carico statico di baseC0 96.5kN
Carico limite di faticaPu 3.55kN
Velocità di riferimento  8000r/min
Velocità limite  5000r/min
Fattore di calcolokr 0.03 
Fattore di calcolof0 13.3 
Massa
Massa cuscinetto  4.25kg