Non ci sono articoli nel tuo carrello
Prodotti
SCHEDA ARTICOLO

6320

CUSCINETTO
Codice: 00708
Disponibilità: Disp. limitata
Disponibilità: 5 disponibile
Marca: SKF
Unità di misura: NR
Quantitativi ammessi: multipli di 1X
€238,49

Descrizione

Dimensioni: Foro: 100 mm Diametro: 215 mm Spessore: 47 mm


Dettagli

  • EAN-Code : 07316577044518
  • Taric number : 84821090

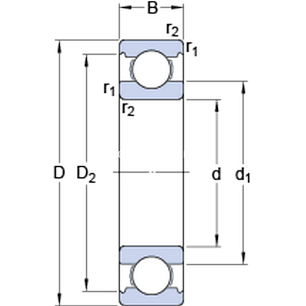
Dimensioni
d 100mm
D 215mm
B 47mm
d1135.85mm
D2183.8mm
r1,2min.3mm
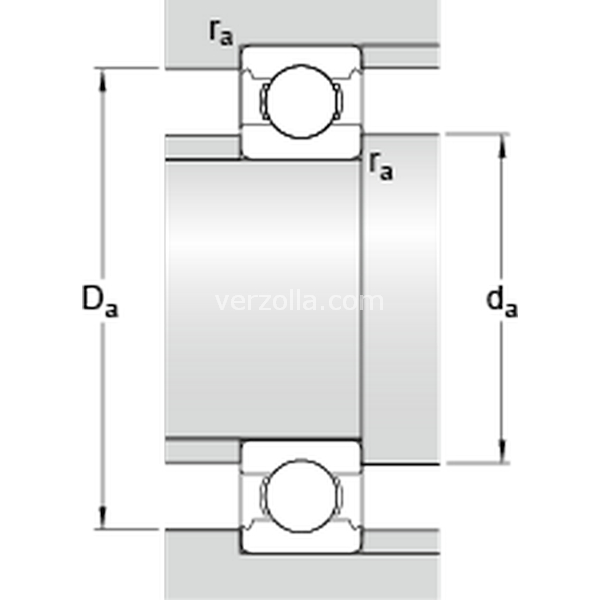
Dimensioni Dello Spallamento
damin.114mm
Damax.201mm
ramax.2.5mm
Dati Di Calcolo
Coefficiente di carico dinamicoC 174kN
Coefficiente di carico statico di baseC0 140kN
Carico limite di faticaPu 4.75kN
Velocità di riferimento  6700r/min
Velocità limite  4300r/min
Fattore di calcolokr 0.03 
Fattore di calcolof0 13.2 
Massa
Massa cuscinetto  7.08kg