Non ci sono articoli nel tuo carrello
Prodotti
SCHEDA ARTICOLO

6326 M

CUSCINETTO
Codice: 00713
Disponibilità: Disp. limitata
Disponibilità: 1 disponibile
Marca: SKF
Unità di misura: NR
Quantitativi ammessi: multipli di 1X
Da preventivare

Descrizione

Dimensioni: Foro: 130 mm Diametro: 280 mm Spessore: 58 mm Peso: 17,544 kg


Dettagli

  • EAN-Code : 07316576619830
  • Taric number : 84821090

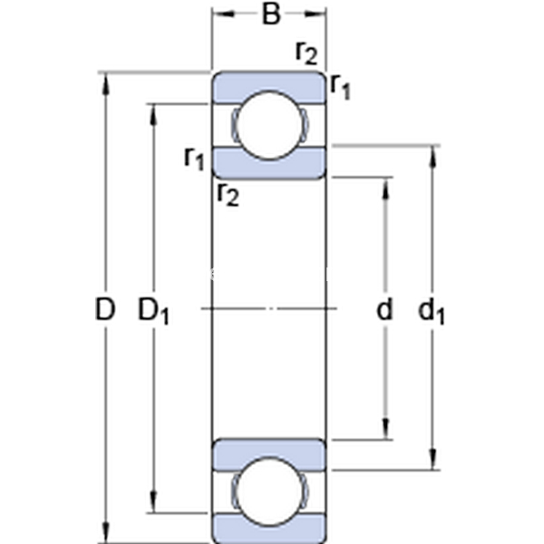
Dimensioni
d 130mm
D 280mm
B 58mm
d1177.6mm
D1231.5mm
r1,2min.4mm
Dimensioni Dello Spallamento
damin.147mm
Damax.263mm
ramax.3mm
Dati Di Calcolo
Coefficiente di carico dinamicoC 229kN
Coefficiente di carico statico di baseC0 216kN
Carico limite di faticaPu 6.3kN
Velocità di riferimento  5000r/min
Velocità limite  4500r/min
Fattore di calcolokr 0.03 
Fattore di calcolof0 13.6 
Massa
Massa cuscinetto  17.3kg