Non ci sono articoli nel tuo carrello
SCHEDA ARTICOLO

7005 ACD/P4A

CUSCINETTO
Codice: 62712
Disponibilità: Non disponibile
Disponibilità: Disponibile
Marca: SKF
Unità di misura: NR
Quantitativi ammessi: multipli di 1X
€172,96

Descrizione

Dimensioni: Foro: 25 mm Diametro: 47 mm Spessore: 12 mm Peso: 0,077 kg


Dettagli

  • EAN-Code :
  • Taric number : 84821090

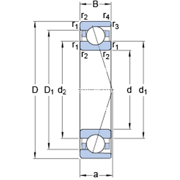
Dimensioni
d 25mm
D 47mm
B 12mm
d1 32.1mm
d2 32.1mm
D1 39.9mm
r1,2min.0.6mm
r3,4min.0.3mm
a 14.5mm
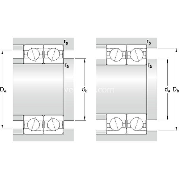
Dimensioni Dello Spallamento
damin.28.2mm
dbmin.28.2mm
Damax.43.8mm
Dbmax.45mm
ramax.0.6mm
rbmax.0.3mm
dn 33.4mm