Non ci sono articoli nel tuo carrello
SCHEDA ARTICOLO

7014 CD/P4A

CUSCINETTO
Codice: 13849
Disponibilità: Non disponibile
Disponibilità: Disponibile
Marca: SKF
Unità di misura: NR
Quantitativi ammessi: multipli di 1X
Da preventivare

Descrizione

Dimensioni: Foro: 70 mm Diametro: 110 mm Spessore: 20 mm Peso: 0,585 kg


Dettagli

  • EAN-Code : 07316570477160
  • Taric number : 84821090

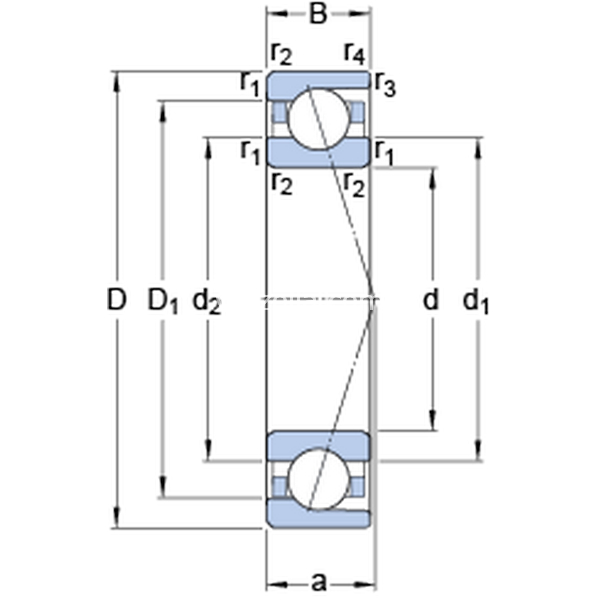
Dimensioni
d 70mm
D 110mm
B 20mm
d1 82.3mm
d2 82.3mm
D1 97.7mm
r1,2min.1.1mm
r3,4min.0.6mm
a 22.1mm
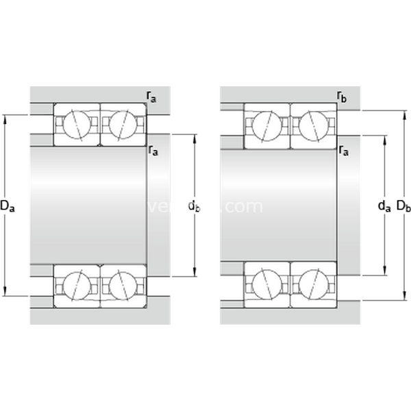
Dimensioni Dello Spallamento
damin.76mm
dbmin.76mm
Damax.104mm
Dbmax.106mm
ramax.1mm
rbmax.0.6mm
dn 85mm