Non ci sono articoli nel tuo carrello
SCHEDA ARTICOLO

7016 CD/P4A

CUSCINETTO
Codice: 13310
Disponibilità: Non disponibile
Disponibilità: Disponibile
Marca: SKF
Unità di misura: NR
Quantitativi ammessi: multipli di 1X
Da preventivare

Descrizione

Dimensioni: Foro: 80 mm Diametro: 125 mm Spessore: 22 mm Peso: 0,842 kg


Dettagli

  • EAN-Code : 07316571098043
  • Taric number : 84821090

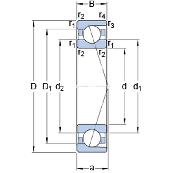
Dimensioni
d 80mm
D 125mm
B 22mm
d1 93.9mm
d2 93.9mm
D1 111.1mm
r1,2min.1.1mm
r3,4min.0.6mm
a 24.8mm
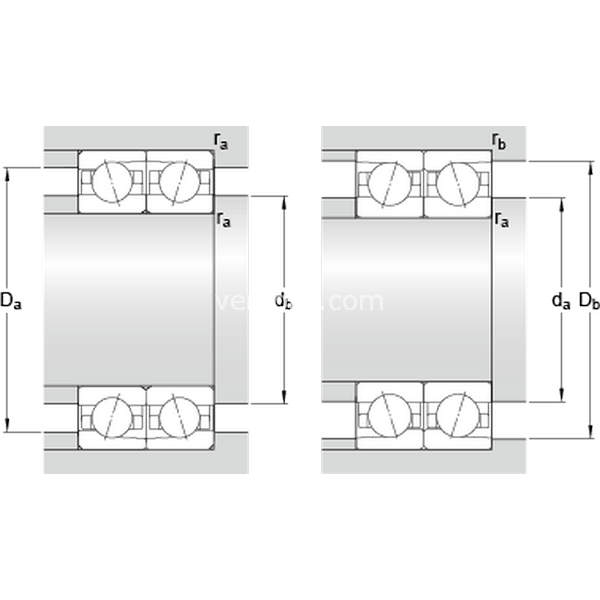
Dimensioni Dello Spallamento
damin.86mm
dbmin.86mm
Damax.119mm
Dbmax.121mm
ramax.1mm
rbmax.0.6mm
dn 96.9mm