Non ci sono articoli nel tuo carrello
SCHEDA ARTICOLO

7212 CD/P4A

CUSCINETTO
Codice: 04937
Disponibilità: Non disponibile
Disponibilità: Disponibile
Marca: SKF
Unità di misura: NR
Quantitativi ammessi: multipli di 1X
Da preventivare

Descrizione

Dimensioni: Foro: 60 mm Diametro: 110 mm Spessore: 22 mm Peso: 0,797 kg


Dettagli

  • EAN-Code : 07316570190069
  • Taric number : 84821090

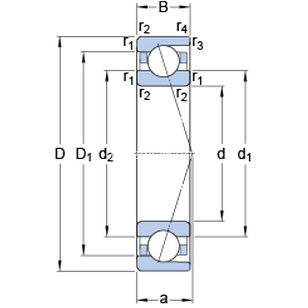
Dimensioni
d 60mm
D 110mm
B 22mm
d1 76.4mm
d2 76.4mm
D1 93.6mm
r1,2min.1.5mm
r3,4min.0.6mm
a 22.5mm
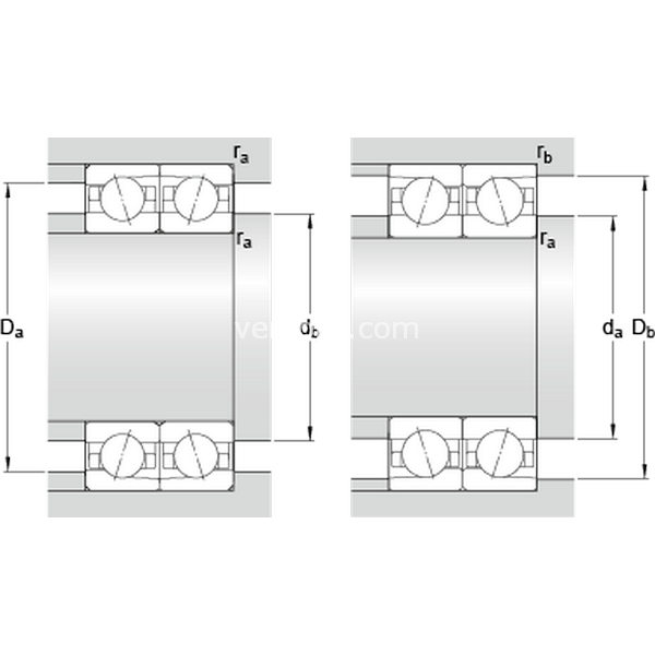
Dimensioni Dello Spallamento
damin.69mm
dbmin.69mm
Damax.101mm
Dbmax.105.8mm
ramax.1.5mm
rbmax.0.6mm
dn 80.1mm