Non ci sono articoli nel tuo carrello
SCHEDA ARTICOLO

7213 BECBJ

CUSCINETTO
Codice: 62221
Disponibilità: Non disponibile
Disponibilità: Disponibile
Marca: SKF
Unità di misura: NR
Quantitativi ammessi: multipli di 1X
Da preventivare

Descrizione

Dimensioni: Foro: 65 mm Diametro: 120 mm Spessore: 23 mm Peso: 1,0356 kg


Dettagli

  • EAN-Code : 07316570971798
  • Taric number : 84821090

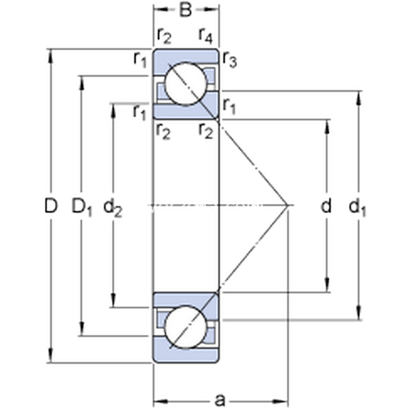
Dimensioni
d 65mm
D 120mm
B 23mm
d186.35mm
d275.48mm
D199.45mm
a 50mm
r1,2min.1.5mm
r3,4min.1mm
Dimensioni Dello Spallamento
damin.74mm
Damax.111mm
Dbmax.114mm
ramax.1.5mm
rbmax.1mm
Dati Di Calcolo
Coefficiente di carico dinamicoC 69.5kN
Coefficiente di carico statico di baseC0 57kN
Carico limite di faticaPu 2.45kN
Velocità di riferimento  6700r/min
Velocità limite  6700r/min
Fattore di calcoloA 0.0478 
Fattore di calcolokr 0.095 
Fattore di calcoloe 1.14 
Cuscinetto singolo o coppia di cuscinetti in tandem
Fattore di calcoloX 0.35 
Fattore di calcoloY0 0.26 
Fattore di calcoloY2 0.57 
Coppia di cuscinetti disposta ad "O" oppure a "X"
Fattore di calcoloX 0.57 
Fattore di calcoloY0 0.52 
Fattore di calcoloY1 0.55 
Fattore di calcoloY2 0.93 
Massa
Massa cuscinetto  1kg