Non ci sono articoli nel tuo carrello
SCHEDA ARTICOLO

7215 BEP

CUSCINETTO
Codice: 24409
Disponibilità: disponibile
Disponibilità: 13 disponibile
Marca: SKF
Unità di misura: NR
Quantitativi ammessi: multipli di 1X
€116,69

Descrizione

Dimensioni: Foro: 75 mm Diametro: 130 mm Spessore: 25 mm Peso: 1,16 kg


Dettagli

  • EAN-Code :
  • Taric number : 84821090

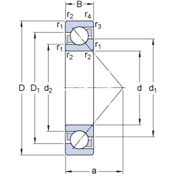
Dimensioni
d 75mm
D 130mm
B 25mm
d196.3mm
d285.25mm
D1110.1mm
a 56mm
r1,2min.1.5mm
r3,4min.1mm
Dimensioni Dello Spallamento
damin.84mm
Damax.121mm
Dbmax.124mm
ramax.1.5mm
rbmax.1mm
Dati Di Calcolo
Coefficiente di carico dinamicoC 70.2kN
Coefficiente di carico statico di baseC0 60kN
Carico limite di faticaPu 2.5kN
Velocità di riferimento  6000r/min
Velocità limite  5600r/min
Fattore di calcoloA 0.0599 
Fattore di calcolokr 0.095 
Fattore di calcoloe 1.14 
Cuscinetto singolo o coppia di cuscinetti in tandem
Fattore di calcoloX 0.35 
Fattore di calcoloY0 0.26 
Fattore di calcoloY2 0.57 
Coppia di cuscinetti disposta ad "O" oppure a "X"
Fattore di calcoloX 0.57 
Fattore di calcoloY0 0.52 
Fattore di calcoloY1 0.55 
Fattore di calcoloY2 0.93 
Massa
Massa cuscinetto  1.2kg