Non ci sono articoli nel tuo carrello
SCHEDA ARTICOLO

7222 BECBP

CUSCINETTO
Codice: 39258
Disponibilità: Disp. limitata
Disponibilità: 4 disponibile
Marca: SKF
Unità di misura: NR
Quantitativi ammessi: multipli di 1X
Da preventivare

Descrizione

Dimensioni: Foro: 110 mm Diametro: 200 mm Spessore: 38 mm Peso: 4,436 kg


Dettagli

  • EAN-Code :
  • Taric number : 84821090

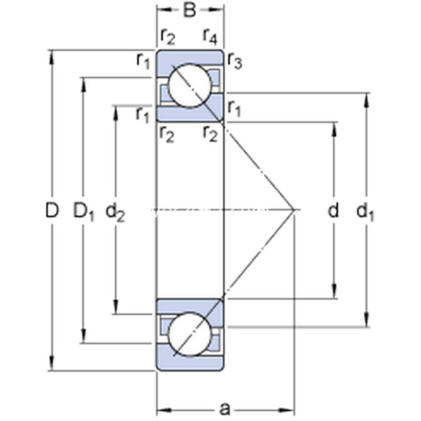
Dimensioni
d 110mm
D 200mm
B 38mm
d1144.85mm
d2127.12mm
D1167.35mm
a 84mm
r1,2min.2.1mm
r3,4min.1.1mm
Dimensioni Dello Spallamento
damin.122mm
Damax.188mm
Dbmax.193mm
ramax.2mm
rbmax.1mm
Dati Di Calcolo
Coefficiente di carico dinamicoC 163kN
Coefficiente di carico statico di baseC0 156kN
Carico limite di faticaPu 5.3kN
Velocità di riferimento  4000r/min
Velocità limite  4000r/min
Fattore di calcoloA 0.353 
Fattore di calcolokr 0.095 
Fattore di calcoloe 1.14 
Cuscinetto singolo o coppia di cuscinetti in tandem
Fattore di calcoloX 0.35 
Fattore di calcoloY0 0.26 
Fattore di calcoloY2 0.57 
Coppia di cuscinetti disposta ad "O" oppure a "X"
Fattore di calcoloX 0.57 
Fattore di calcoloY0 0.52 
Fattore di calcoloY1 0.55 
Fattore di calcoloY2 0.93 
Massa
Massa cuscinetto  4.6kg