Non ci sono articoli nel tuo carrello
SCHEDA ARTICOLO

7224 BM

CUSCINETTO
Codice: 22192
Disponibilità: Disp. limitata
Disponibilità: 1 disponibile
Marca: SKF
Unità di misura: NR
Quantitativi ammessi: multipli di 1X
Da preventivare

Descrizione

Dimensioni: Foro: 120 mm Diametro: 215 mm Spessore: 40 mm Peso: 5,8927 kg


Dettagli

  • EAN-Code : 07316577746023
  • Taric number : 84821090

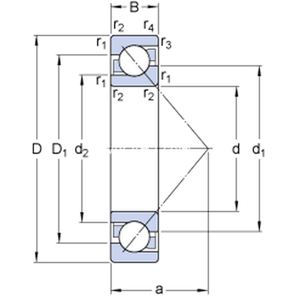
Dimensioni
d 120mm
D 215mm
B 40mm
d1157mm
d2138.6mm
D1179.4mm
a 90mm
r1,2min.2.1mm
r3,4min.1.1mm
Dimensioni Dello Spallamento
damin.132mm
Damax.203mm
Dbmax.208mm
ramax.2mm
rbmax.1mm
Dati Di Calcolo
Coefficiente di carico dinamicoC 165kN
Coefficiente di carico statico di baseC0 163kN
Carico limite di faticaPu 5.3kN
Velocità di riferimento  3600r/min
Velocità limite  4000r/min
Fattore di calcoloA 0.45 
Fattore di calcolokr 0.08 
Fattore di calcoloe 1.14 
Cuscinetto singolo o coppia di cuscinetti in tandem
Fattore di calcoloX 0.35 
Fattore di calcoloY0 0.26 
Fattore di calcoloY2 0.57 
Coppia di cuscinetti disposta ad "O" oppure a "X"
Fattore di calcoloX 0.57 
Fattore di calcoloY0 0.52 
Fattore di calcoloY1 0.55 
Fattore di calcoloY2 0.93 
Massa
Massa cuscinetto  5.89kg