Non ci sono articoli nel tuo carrello
Prodotti
SCHEDA ARTICOLO

6220/C3VL0241

CUSCINETTO ANELLO ESTERNO ISOLATO
Codice: L3978
Disponibilità: Disp. limitata
Disponibilità: 5 disponibile
Marca: SKF
Unità di misura: NR
Quantitativi ammessi: multipli di 1X
€1201,84

Descrizione

Dimensioni: Foro: 100 mm Diametro: 180 mm Spessore: 34 mm Peso: 3,0319 kg


Dettagli

  • EAN-Code : 07316571605463
  • Taric number : 84821090

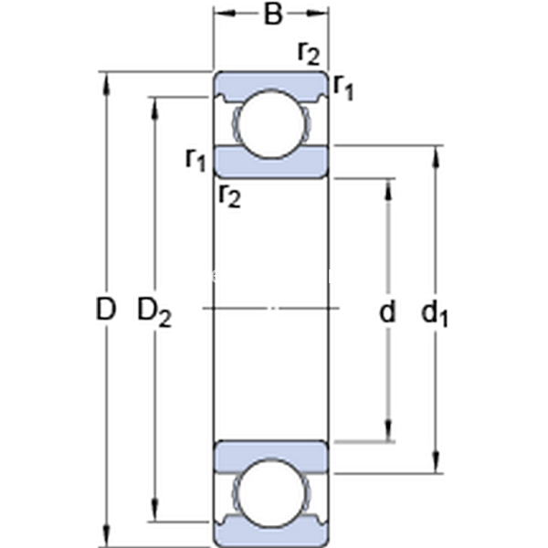
Dimensioni
d 100mm
D 180mm
B 34mm
d1124.8mm
D2160mm
Dimensions
r1,2min.2.1mm
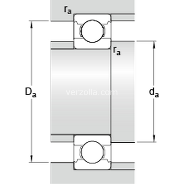
Dimensioni Dello Spallamento
damin.112mm
Damin.165mm
Damax.168mm
ramax.2mm
Dati Di Calcolo
Coefficiente di carico dinamicoC 127kN
Coefficiente di carico statico di baseC0 93kN
Carico limite di faticaPu 3.35kN
Velocità di riferimento  7500r/min
Velocità limite  4800r/min
Fattore di calcolokr 0.025 
Fattore di calcolof0 14 
Massa
Massa cuscinetto  3.15kg