Non ci sono articoli nel tuo carrello
SCHEDA ARTICOLO

C 2212 TN9/C3

CUSCINETTO CARB
Codice: N5933
Disponibilità: Non disponibile
Disponibilità: Disponibile
Marca: SKF
Unità di misura: NR
Quantitativi ammessi: multipli di 1X
€174,02

Descrizione

Dimensioni: Foro: 60 mm Diametro: 110 mm Spessore: 28 mm Peso: 1,084 kg


Dettagli

  • EAN-Code : 07316570315356
  • Taric number : 84823000

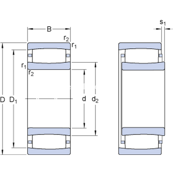
Dimensioni
d 60mm
D 110mm
B 28mm
d277.1mm
D197.9mm
s1max.8.5mm
r1,2min.1.5mm
Dimensions
Dimensioni Dello Spallamento
damin.69mm
damax.77.1mm
Damin.94.7mm
Damax.101mm
Camin.0.3mm
ramax.1.5mm
  • Un valore negativo per Ca è teorico.
Dati Di Calcolo
Coefficiente di carico dinamicoC 143kN
Coefficiente di carico statico di baseC0 156kN
Carico limite di faticaPu 18.3kN
Velocità di riferimento  5600r/min
Velocità limite  7500r/min
Fattore per il disallineamentok1 0.1 
Fattore di gioco in eserciziok2 0.123 
Massa
Massa cuscinetto  1.1kg