Non ci sono articoli nel tuo carrello
SCHEDA ARTICOLO

C 2316

CUSCINETTO CARB
Codice: 77738
Disponibilità: Non disponibile
Disponibilità: Disponibile
Marca: SKF
Unità di misura: NR
Quantitativi ammessi: multipli di 1X
Da preventivare

Descrizione

Dimensioni: Foro: 80 mm Diametro: 170 mm Spessore: 58 mm Peso: 6,199 kg


Dettagli

  • EAN-Code : 07316570749410
  • Taric number : 84823000

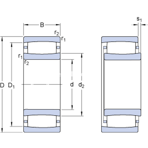
Dimensioni
d 80mm
D 170mm
B 58mm
d2102mm
D1146mm
s1max.10.1mm
r1,2min.2.1mm
Dimensions
Dimensioni Dello Spallamento
damin.92mm
damax.119mm
Damin.133mm
Damax.158mm
Camin.2.4mm
ramax.2mm
  • Un valore negativo per Ca è teorico.
Dati Di Calcolo
Coefficiente di carico dinamicoC 510kN
Coefficiente di carico statico di baseC0 550kN
Carico limite di faticaPu 60kN
Velocità di riferimento  3400r/min
Velocità limite  4500r/min
Fattore per il disallineamentok1 0.107 
Fattore di gioco in eserciziok2 0.101 
Massa
Massa cuscinetto  6.3kg