Non ci sono articoli nel tuo carrello
SCHEDA ARTICOLO

C 4026V/C4

CUSCINETTO CARB
Codice: C6038
Disponibilità: Non disponibile
Disponibilità: Disponibile
Marca: SKF
Unità di misura: NR
Quantitativi ammessi: multipli di 1X
Da preventivare

Descrizione

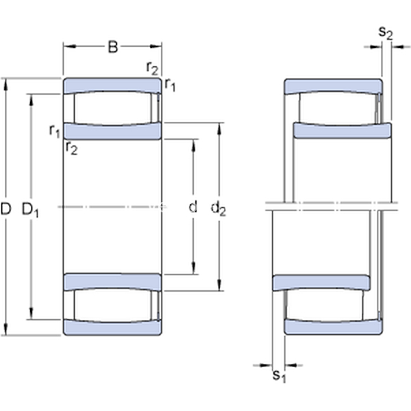
Dimensioni: Foro: 130 mm Diametro: 200 mm Spessore: 69 mm Peso: 8,075 kg


Dettagli

  • EAN-Code : 07316577759030
  • Taric number : 84823000

Dimensioni
d 130mm
D 200mm
B 69mm
d2149mm
D1181mm
s1max.11.4mm
s2max.4.6mm
r1,2min.2mm
Dimensions
Dimensioni Dello Spallamento
damin.140mm
damax.167mm
Damax.190mm
ramax.2mm
    Dati Di Calcolo
    Coefficiente di carico dinamicoC 720kN
    Coefficiente di carico statico di baseC0 1120kN
    Carico limite di faticaPu 112kN
    Velocità limite  850r/min
    Fattore per il disallineamentok1 0.113 
    Fattore di gioco in eserciziok2 0.097 
    Massa
    Massa cuscinetto  8.15kg