Non ci sono articoli nel tuo carrello
SCHEDA ARTICOLO

N 315 ECM

CUSCINETTO
Codice: H8437
Disponibilità: Non disponibile
Disponibilità: Disponibile
Marca: SKF
Unità di misura: NR
Quantitativi ammessi: multipli di 1X
Da preventivare

Descrizione

Dimensioni: Foro: 75 mm Diametro: 160 mm Spessore: 37 mm Peso: 3,785 kg


Dettagli

  • EAN-Code :
  • Taric number : 84825000

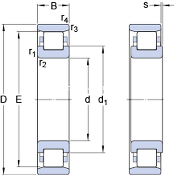
Dimensioni
d 75mm
D 160mm
B 37mm
d1104mm
E 143mm
r1,2min.2.1mm
r3,4min.2.1mm
smax.1.8mm
Dimensioni Dello Spallamento
damin.87mm
damax.140mm
Damin.146mm
Damax.148mm
ramax.2mm
rbmax.2mm
Dati Di Calcolo
Coefficiente di carico dinamicoC 280kN
Coefficiente di carico statico di baseC0 265kN
Carico limite di faticaPu 33.5kN
Velocità di riferimento  4500r/min
Velocità limite  5300r/min
Fattore di calcolokr 0.12 
Calculation Data
Calcolo del carico: Valore limitee 0.2 
Calcolo del carico: Fattore di calcoloY 0.6 
Massa
Massa cuscinetto  3.79kg