Non ci sono articoli nel tuo carrello
SCHEDA ARTICOLO

NJ 204 ECP

CUSCINETTO
Codice: 10212
Disponibilità: disponibile
Disponibilità: 28 disponibile
Marca: SKF
Unità di misura: NR
Quantitativi ammessi: multipli di 1X
€31,48

Descrizione

Dimensioni: Foro: 20 mm Diametro: 47 mm Spessore: 14 mm Peso: 0,112 kg


Dettagli

  • EAN-Code : 07316577061829
  • Taric number : 84825000

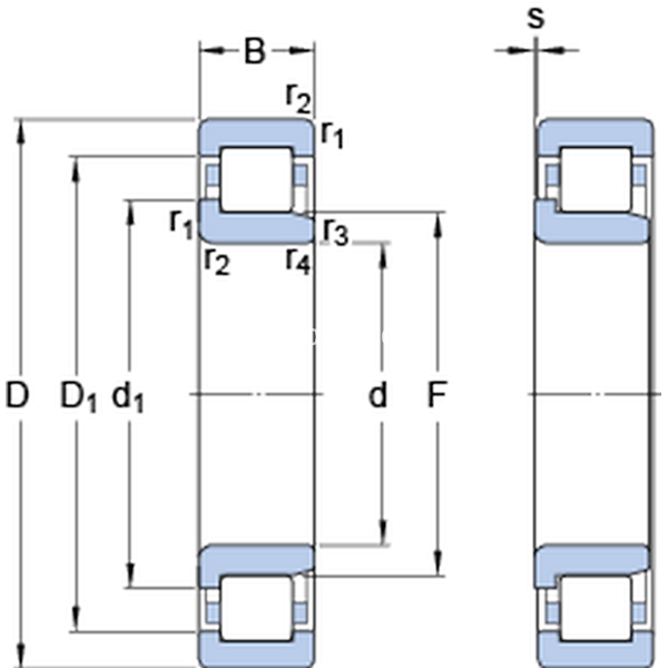
Dimensioni
d 20mm
D 47mm
B 14mm
d129.7mm
D138.44mm
F 26.5mm
r1,2min.1mm
r3,4min.0.6mm
smax.1mm
Dimensioni Dello Spallamento
damin.25mm
damax.25.4mm
dbmin.31mm
Damax.41.7mm
ramax.1mm
Dati Di Calcolo
Coefficiente di carico dinamicoC 28.5kN
Coefficiente di carico statico di baseC0 22kN
Carico limite di faticaPu 2.75kN
Velocità di riferimento  17000r/min
Velocità limite  19000r/min
Fattore di calcolokr 0.15 
Calculation Data
Calcolo del carico: Valore limitee 0.2 
Calcolo del carico: Fattore di calcoloY 0.6 
Massa
Massa cuscinetto  0.11kg