Non ci sono articoli nel tuo carrello
SCHEDA ARTICOLO

NJ 2207 ECJ

CUSCINETTO
Codice: 66504
Disponibilità: Disp. limitata
Disponibilità: 5 disponibile
Marca: SKF
Unità di misura: NR
Quantitativi ammessi: multipli di 1X
€82,54

Descrizione

Dimensioni: Foro: 35 mm Diametro: 72 mm Spessore: 23 mm Peso: 0,415 kg


Dettagli

  • EAN-Code :
  • Taric number : 84825000

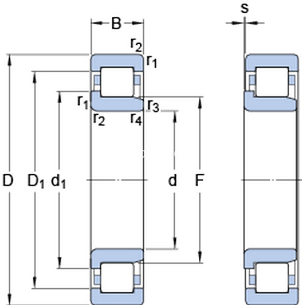
Dimensioni
d 35mm
D 72mm
B 23mm
d148.1mm
D160.2mm
F 44mm
r1,2min.1.1mm
r3,4min.0.6mm
smax.2.8mm
Dimensioni Dello Spallamento
damin.41.8mm
damax.42.2mm
dbmin.50mm
Damax.65.1mm
ramax.1mm
Dati Di Calcolo
Coefficiente di carico dinamicoC 69.5kN
Coefficiente di carico statico di baseC0 63kN
Carico limite di faticaPu 8.15kN
Velocità di riferimento  11000r/min
Velocità limite  12000r/min
Fattore di calcolokr 0.2 
Calculation Data
Calcolo del carico: Valore limitee 0.3 
Calcolo del carico: Fattore di calcoloY 0.4 
Massa
Massa cuscinetto  0.42kg