Non ci sono articoli nel tuo carrello
SCHEDA ARTICOLO

NJ 2209 ECP

CUSCINETTO
Codice: 11145
Disponibilità: disponibile
Disponibilità: 11 disponibile
Marca: SKF
Unità di misura: NR
Quantitativi ammessi: multipli di 1X
€73,86

Descrizione

Dimensioni: Foro: 45 mm Diametro: 85 mm Spessore: 23 mm Peso: 0,538 kg


Dettagli

  • EAN-Code :
  • Taric number : 84825000

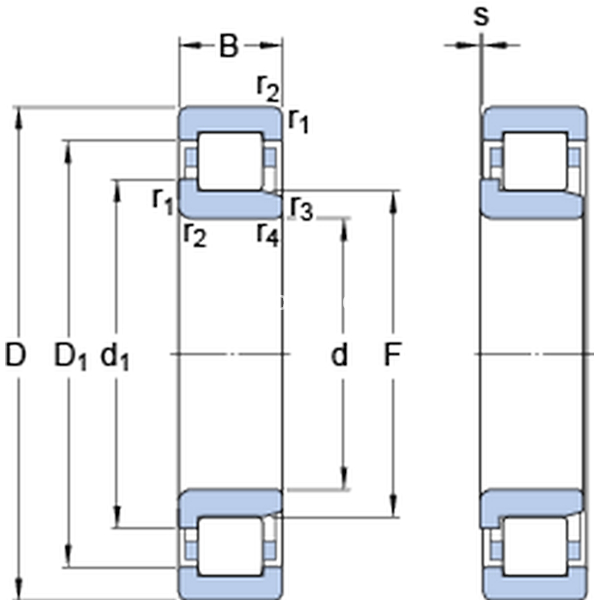
Dimensioni
d 45mm
D 85mm
B 23mm
d159mm
D172.4mm
F 54.5mm
r1,2min.1.1mm
r3,4min.1.1mm
smax.1.7mm
Dimensioni Dello Spallamento
damin.52mm
damax.53mm
dbmin.61mm
Damax.77.6mm
ramax.1mm
Dati Di Calcolo
Coefficiente di carico dinamicoC 85kN
Coefficiente di carico statico di baseC0 81.5kN
Carico limite di faticaPu 10.6kN
Velocità di riferimento  9000r/min
Velocità limite  9500r/min
Fattore di calcolokr 0.2 
Calculation Data
Calcolo del carico: Valore limitee 0.3 
Calcolo del carico: Fattore di calcoloY 0.4 
Massa
Massa cuscinetto  0.54kg