Non ci sono articoli nel tuo carrello
SCHEDA ARTICOLO

NJ 2212 ECP

CUSCINETTO
Codice: 22103
Disponibilità: Disp. limitata
Disponibilità: 2 disponibile
Marca: SKF
Unità di misura: NR
Quantitativi ammessi: multipli di 1X
€112,40

Descrizione

Dimensioni: Foro: 60 mm Diametro: 110 mm Spessore: 28 mm Peso: 1,1 kg


Dettagli

  • EAN-Code : 07316577023117
  • Taric number : 84825000

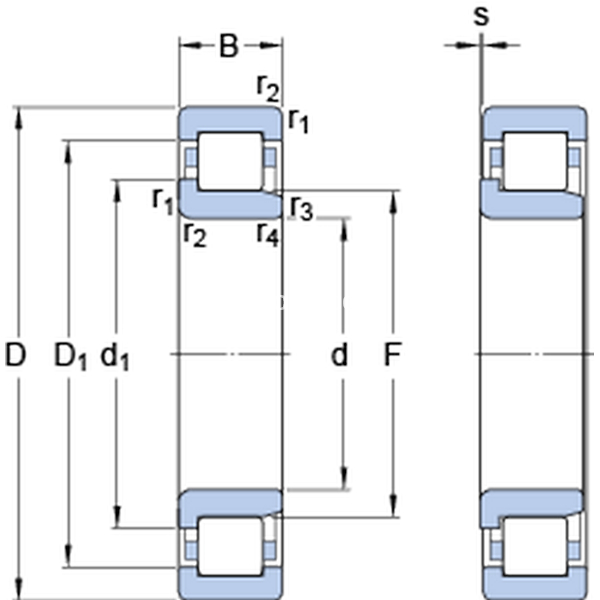
Dimensioni
d 60mm
D 110mm
B 28mm
d177.5mm
D195mm
F 72mm
r1,2min.1.5mm
r3,4min.1.5mm
smax.1.4mm
Dimensions
Dimensioni Dello Spallamento
damin.68mm
damax.70mm
dbmin.80mm
Damax.101mm
ramax.1.5mm
Dati Di Calcolo
Coefficiente di carico dinamicoC 146kN
Coefficiente di carico statico di baseC0 153kN
Carico limite di faticaPu 20kN
Velocità di riferimento  6700r/min
Velocità limite  7500r/min
Fattore di calcolokr 0.2 
Calculation Data
Calcolo del carico: Valore limitee 0.3 
Calcolo del carico: Fattore di calcoloY 0.4 
Massa
Massa cuscinetto  1.1kg