Non ci sono articoli nel tuo carrello
SCHEDA ARTICOLO

NJ 2215 ECP

CUSCINETTO
Codice: 13850
Disponibilità: disponibile
Disponibilità: 33 disponibile
Marca: SKF
Unità di misura: NR
Quantitativi ammessi: multipli di 1X
€157,37

Descrizione

Dimensioni: Foro: 75 mm Diametro: 130 mm Spessore: 31 mm Peso: 1,617 kg


Dettagli

  • EAN-Code : 07316577028242
  • Taric number : 84825000

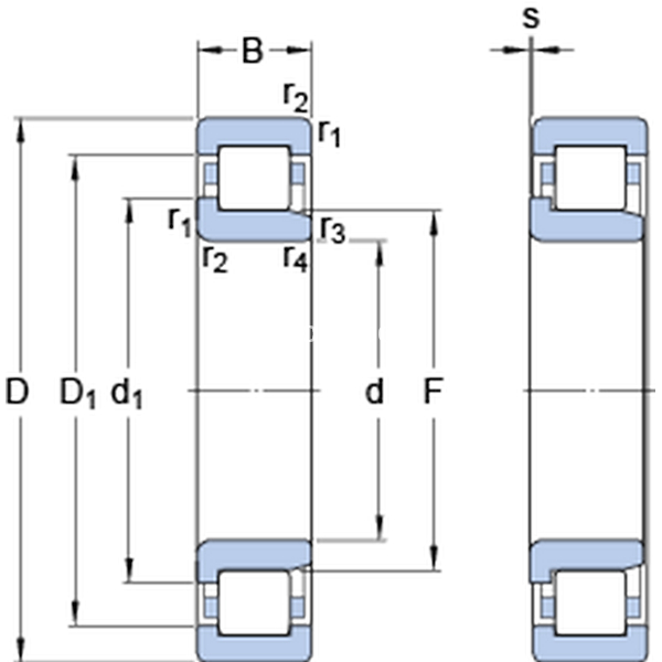
Dimensioni
d 75mm
D 130mm
B 31mm
d194.3mm
D1113.2mm
F 88.5mm
r1,2min.1.5mm
r3,4min.1.5mm
smax.1.7mm
Dimensioni Dello Spallamento
damin.84mm
damax.86mm
dbmin.97mm
Damax.121.5mm
ramax.1.5mm
Dati Di Calcolo
Coefficiente di carico dinamicoC 186kN
Coefficiente di carico statico di baseC0 208kN
Carico limite di faticaPu 27kN
Velocità di riferimento  5600r/min
Velocità limite  6000r/min
Fattore di calcolokr 0.2 
Calculation Data
Calcolo del carico: Valore limitee 0.3 
Calcolo del carico: Fattore di calcoloY 0.4 
Massa
Massa cuscinetto  1.62kg