Non ci sono articoli nel tuo carrello
SCHEDA ARTICOLO

NJ 2309 ECP/C4VQ015

CUSCINETTO
Codice: S4163
Disponibilità: Non disponibile
Disponibilità: Disponibile
Marca: SKF
Unità di misura: NR
Quantitativi ammessi: multipli di 1X
Da preventivare

Descrizione

Dimensioni: Foro: 45 mm Diametro: 100 mm Spessore: 36 mm Peso: 1,3278 kg


Dettagli

  • EAN-Code : 07316570419016
  • Taric number : 84825000

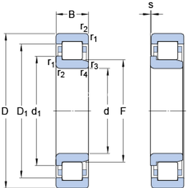
Dimensioni
d 45mm
D 100mm
B 36mm
d164.4mm
D183.2mm
F 58.5mm
r1,2min.1.5mm
r3,4min.1.5mm
smax.3.2mm
Dimensioni Dello Spallamento
damin.54mm
damax.56mm
dbmin.67mm
Damax.91.4mm
ramax.1.5mm
Dati Di Calcolo
Coefficiente di carico dinamicoC 160kN
Coefficiente di carico statico di baseC0 153kN
Carico limite di faticaPu 20kN
Velocità di riferimento  7500r/min
Velocità limite  8500r/min
Fattore di calcolokr 0.25 
Calculation Data
Calcolo del carico: Valore limitee 0.3 
Calcolo del carico: Fattore di calcoloY 0.4 
Massa
Massa cuscinetto  1.33kg