Non ci sono articoli nel tuo carrello
SCHEDA ARTICOLO

NJ 2318 ECJ/C3

CUSCINETTO
Codice: 57486
Disponibilità: Disp. limitata
Disponibilità: 1 disponibile
Marca: SKF
Unità di misura: NR
Quantitativi ammessi: multipli di 1X
Da preventivare

Descrizione

Dimensioni: Foro: 90 mm Diametro: 190 mm Spessore: 64 mm Peso: 8,27 kg


Dettagli

  • EAN-Code : 07316570551785
  • Taric number : 84825000

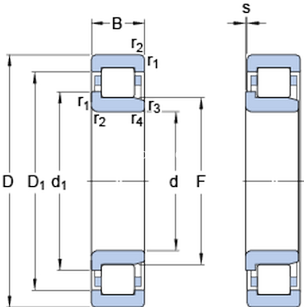
Dimensioni
d 90mm
D 190mm
B 64mm
d1124mm
D1160.25mm
F 113.5mm
r1,2min.3mm
r3,4min.3mm
smax.6mm
Dimensions
Dimensioni Dello Spallamento
damin.104mm
damax.110mm
dbmin.127mm
Damax.175.3mm
ramax.2.5mm
Dati Di Calcolo
Coefficiente di carico dinamicoC 500kN
Coefficiente di carico statico di baseC0 540kN
Carico limite di faticaPu 65.5kN
Velocità di riferimento  3800r/min
Velocità limite  4500r/min
Fattore di calcolokr 0.25 
Calculation Data
Calcolo del carico: Valore limitee 0.3 
Calcolo del carico: Fattore di calcoloY 0.4 
Massa
Massa cuscinetto  8.27kg