Non ci sono articoli nel tuo carrello
SCHEDA ARTICOLO

NU 2205 ECP/C3

CUSCINETTO
Codice: 70464
Disponibilità: Disp. limitata
Disponibilità: 5 disponibile
Marca: SKF
Unità di misura: NR
Quantitativi ammessi: multipli di 1X
€39,87

Descrizione

Dimensioni: Foro: 25 mm Diametro: 52 mm Spessore: 18 mm Peso: 0,161 kg


Dettagli

  • EAN-Code : 07316577031815
  • Taric number : 84825000

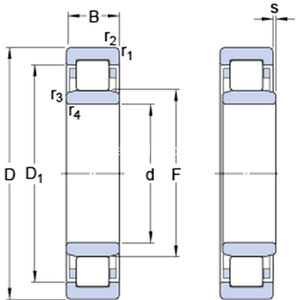
Dimensioni
d 25mm
D 52mm
B 18mm
D143.3mm
F 31.5mm
r1,2min.1mm
r3,4min.0.6mm
smax.1.8mm
Dimensions
Dimensioni Dello Spallamento
damin.28.9mm
damax.30.4mm
dbmin.33mm
Damax.46.4mm
ramax.1mm
rbmax.0.6mm
Dati Di Calcolo
Coefficiente di carico dinamicoC 39kN
Coefficiente di carico statico di baseC0 34kN
Carico limite di faticaPu 4.25kN
Velocità di riferimento  15000r/min
Velocità limite  16000r/min
Fattore di calcolokr 0.2 
Calculation Data
Calcolo del carico: Valore limitee 0.3 
Calcolo del carico: Fattore di calcoloY 0.4 
Massa
Massa cuscinetto  0.16kg