Non ci sono articoli nel tuo carrello
SCHEDA ARTICOLO

NU 221 ECP

CUSCINETTO
Codice: 30574
Disponibilità: Disp. limitata
Disponibilità: 3 disponibile
Marca: SKF
Unità di misura: NR
Quantitativi ammessi: multipli di 1X
€292,24

Descrizione

Dimensioni: Foro: 105 mm Diametro: 190 mm Spessore: 36 mm Peso: 3,962 kg


Dettagli

  • EAN-Code : 07316577060440
  • Taric number : 84825000

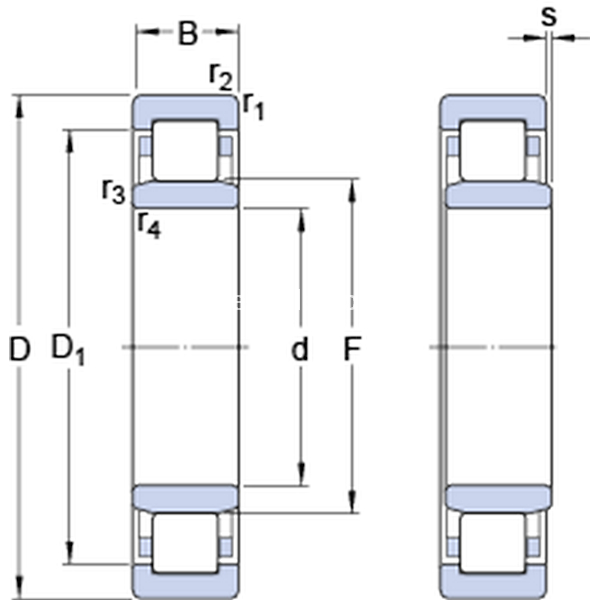
Dimensioni
d 105mm
D 190mm
B 36mm
D1164.2mm
F 125mm
r1,2min.2.1mm
r3,4min.2.1mm
smax.2mm
Dimensions
Dimensioni Dello Spallamento
damin.117mm
damax.122mm
dbmin.128mm
Damax.177.3mm
ramax.2mm
rbmax.2mm
Dati Di Calcolo
Coefficiente di carico dinamicoC 300kN
Coefficiente di carico statico di baseC0 315kN
Carico limite di faticaPu 36.5kN
Velocità di riferimento  3800r/min
Velocità limite  4300r/min
Fattore di calcolokr 0.15 
Calculation Data
Calcolo del carico: Valore limitee 0.2 
Calcolo del carico: Fattore di calcoloY 0.6 
Massa
Massa cuscinetto  3.96kg