Non ci sono articoli nel tuo carrello
SCHEDA ARTICOLO

NU 2211 ECP

CUSCINETTO
Codice: 17501
Disponibilità: disponibile
Disponibilità: 52 disponibile
Marca: SKF
Unità di misura: NR
Quantitativi ammessi: multipli di 1X
€74,38

Descrizione

Dimensioni: Foro: 55 mm Diametro: 100 mm Spessore: 25 mm Peso: 0,787 kg


Dettagli

  • EAN-Code :
  • Taric number : 84825000

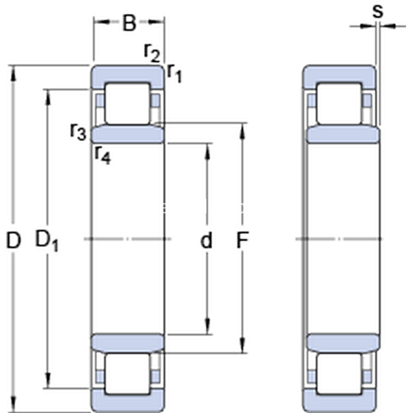
Dimensioni
d 55mm
D 100mm
B 25mm
D185.7mm
F 66mm
r1,2min.1.5mm
r3,4min.1.1mm
smax.1.5mm
Dimensions
Dimensioni Dello Spallamento
damin.62mm
damax.64mm
dbmin.68mm
Damax.91.4mm
ramax.1.5mm
rbmax.1mm
Dati Di Calcolo
Coefficiente di carico dinamicoC 114kN
Coefficiente di carico statico di baseC0 118kN
Carico limite di faticaPu 15.3kN
Velocità di riferimento  7500r/min
Velocità limite  8000r/min
Fattore di calcolokr 0.2 
Calculation Data
Calcolo del carico: Valore limitee 0.3 
Calcolo del carico: Fattore di calcoloY 0.4 
Massa
Massa cuscinetto  0.79kg