Non ci sono articoli nel tuo carrello
SCHEDA ARTICOLO

NU 2213 ECJ

CUSCINETTO
Codice: 70454
Disponibilità: disponibile
Disponibilità: 12 disponibile
Marca: SKF
Unità di misura: NR
Quantitativi ammessi: multipli di 1X
€133,24

Descrizione

Dimensioni: Foro: 65 mm Diametro: 120 mm Spessore: 31 mm Peso: 1,442 kg


Dettagli

  • EAN-Code : 07316577720702
  • Taric number : 84825000

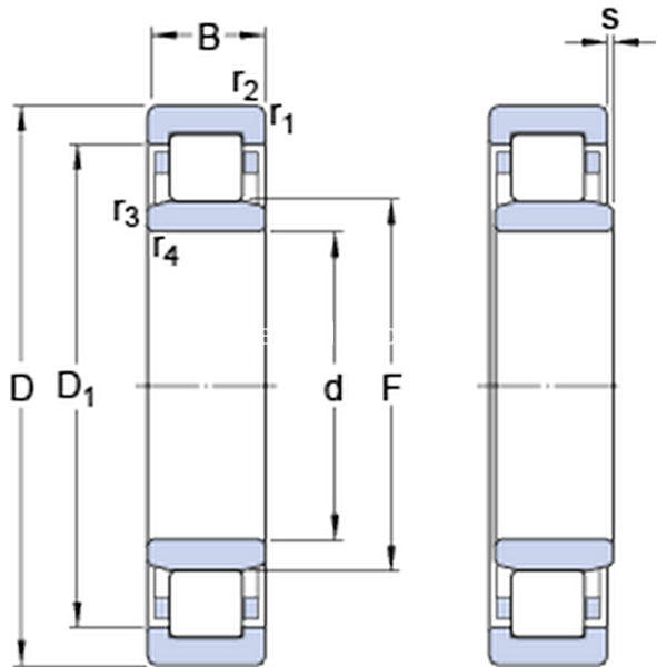
Dimensioni
d 65mm
D 120mm
B 31mm
D1103.2mm
F 78.5mm
r1,2min.1.5mm
r3,4min.1.5mm
smax.1.9mm
Dimensions
Dimensioni Dello Spallamento
damin.74mm
damax.76mm
dbmin.81mm
Damax.110.6mm
ramax.1.5mm
rbmax.1.5mm
Dati Di Calcolo
Coefficiente di carico dinamicoC 170kN
Coefficiente di carico statico di baseC0 180kN
Carico limite di faticaPu 24kN
Velocità di riferimento  6300r/min
Velocità limite  6700r/min
Fattore di calcolokr 0.2 
Calculation Data
Calcolo del carico: Valore limitee 0.3 
Calcolo del carico: Fattore di calcoloY 0.4 
Massa
Massa cuscinetto  1.44kg