Non ci sono articoli nel tuo carrello
SCHEDA ARTICOLO

NU 2214 ECP/C3

CUSCINETTO
Codice: 21366
Disponibilità: Disp. limitata
Disponibilità: 3 disponibile
Marca: SKF
Unità di misura: NR
Quantitativi ammessi: multipli di 1X
Da preventivare

Descrizione

Dimensioni: Foro: 70 mm Diametro: 125 mm Spessore: 31 mm Peso: 1,4814 kg


Dettagli

  • EAN-Code : 07316577113764
  • Taric number : 84825000

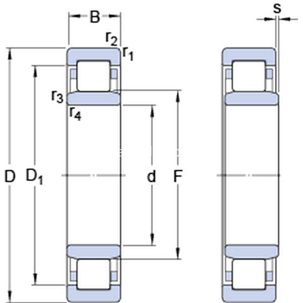
Dimensioni
d 70mm
D 125mm
B 31mm
D1108.2mm
F 83.5mm
r1,2min.1.5mm
r3,4min.1.5mm
smax.1.7mm
Dimensions
Dimensioni Dello Spallamento
damin.79mm
damax.81mm
dbmin.86mm
Damax.115.4mm
ramax.1.5mm
rbmax.1.5mm
Dati Di Calcolo
Coefficiente di carico dinamicoC 180kN
Coefficiente di carico statico di baseC0 193kN
Carico limite di faticaPu 25.5kN
Velocità di riferimento  6000r/min
Velocità limite  6300r/min
Fattore di calcolokr 0.2 
Calculation Data
Calcolo del carico: Valore limitee 0.3 
Calcolo del carico: Fattore di calcoloY 0.4 
Massa
Massa cuscinetto  1.48kg