Non ci sono articoli nel tuo carrello
SCHEDA ARTICOLO

NU 2216 ECJ

CUSCINETTO
Codice: 68992
Disponibilità: disponibile
Disponibilità: 13 disponibile
Marca: SKF
Unità di misura: NR
Quantitativi ammessi: multipli di 1X
€227,79

Descrizione

Dimensioni: Foro: 80 mm Diametro: 140 mm Spessore: 33 mm Peso: 1,979 kg


Dettagli

  • EAN-Code : 07316577035028
  • Taric number : 84825000

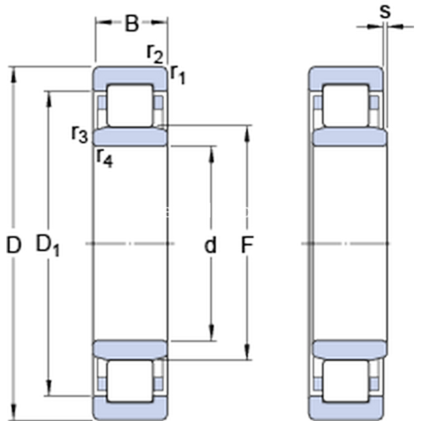
Dimensioni
d 80mm
D 140mm
B 33mm
D1121.7mm
F 95.3mm
r1,2min.2mm
r3,4min.2mm
smax.1.4mm
Dimensions
Dimensioni Dello Spallamento
damin.90mm
damax.93mm
dbmin.98mm
Damax.129.8mm
ramax.2mm
rbmax.2mm
Dati Di Calcolo
Coefficiente di carico dinamicoC 212kN
Coefficiente di carico statico di baseC0 245kN
Carico limite di faticaPu 31kN
Velocità di riferimento  5300r/min
Velocità limite  5600r/min
Fattore di calcolokr 0.2 
Calculation Data
Calcolo del carico: Valore limitee 0.3 
Calcolo del carico: Fattore di calcoloY 0.4 
Massa
Massa cuscinetto  1.98kg