Non ci sono articoli nel tuo carrello
SCHEDA ARTICOLO

NU 2217 ECP

CUSCINETTO
Codice: 24410
Disponibilità: disponibile
Disponibilità: 23 disponibile
Marca: SKF
Unità di misura: NR
Quantitativi ammessi: multipli di 1X
€200,78

Descrizione

Dimensioni: Foro: 85 mm Diametro: 150 mm Spessore: 36 mm Peso: 2,49 kg


Dettagli

  • EAN-Code : 07316577031822
  • Taric number : 84825000

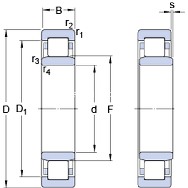
Dimensioni
d 85mm
D 150mm
B 36mm
D1130.3mm
F 100.5mm
r1,2min.2mm
r3,4min.2mm
smax.2mm
Dimensioni Dello Spallamento
damin.96mm
damax.98mm
dbmin.103mm
Damax.138.5mm
ramax.2mm
rbmax.2mm
Dati Di Calcolo
Coefficiente di carico dinamicoC 250kN
Coefficiente di carico statico di baseC0 280kN
Carico limite di faticaPu 34.5kN
Velocità di riferimento  4800r/min
Velocità limite  5300r/min
Fattore di calcolokr 0.2 
Calculation Data
Calcolo del carico: Valore limitee 0.3 
Calcolo del carico: Fattore di calcoloY 0.4 
Massa
Massa cuscinetto  2.49kg