Non ci sono articoli nel tuo carrello
SCHEDA ARTICOLO

NU 2218 ECJ/C3

CUSCINETTO
Codice: 66511
Disponibilità: Disp. limitata
Disponibilità: 3 disponibile
Marca: SKF
Unità di misura: NR
Quantitativi ammessi: multipli di 1X
Da preventivare

Descrizione

Dimensioni: Foro: 90 mm Diametro: 160 mm Spessore: 40 mm Peso: 3,19 kg


Dettagli

  • EAN-Code : 07316577296580
  • Taric number : 84825000

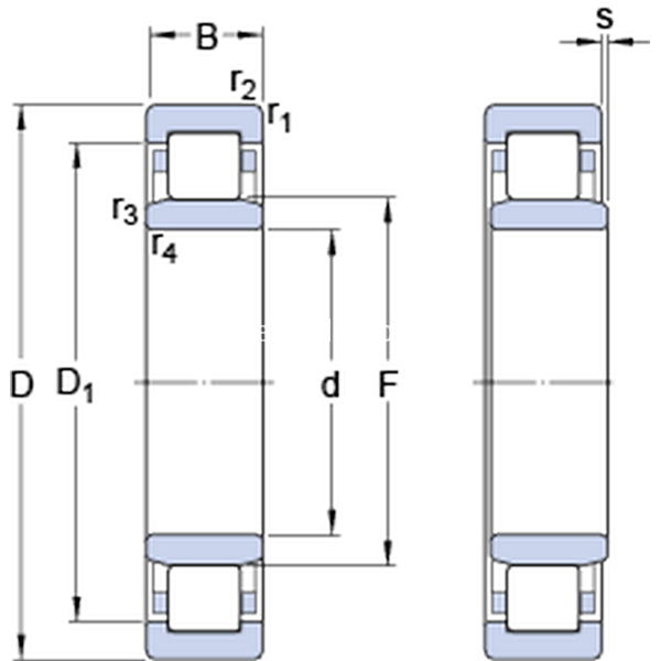
Dimensioni
d 90mm
D 160mm
B 40mm
D1138.5mm
F 107mm
r1,2min.2mm
r3,4min.2mm
smax.2.6mm
Dimensions
Dimensioni Dello Spallamento
damin.101mm
damax.104mm
dbmin.110mm
Damax.149mm
ramax.2mm
rbmax.2mm
Dati Di Calcolo
Coefficiente di carico dinamicoC 280kN
Coefficiente di carico statico di baseC0 315kN
Carico limite di faticaPu 39kN
Velocità di riferimento  4500r/min
Velocità limite  5000r/min
Fattore di calcolokr 0.2 
Calculation Data
Calcolo del carico: Valore limitee 0.3 
Calcolo del carico: Fattore di calcoloY 0.4 
Massa
Massa cuscinetto  3.14kg