Non ci sono articoli nel tuo carrello
SCHEDA ARTICOLO

NU 2219 ECP

CUSCINETTO
Codice: 38307
Disponibilità: Disp. limitata
Disponibilità: 5 disponibile
Marca: SKF
Unità di misura: NR
Quantitativi ammessi: multipli di 1X
€330,59

Descrizione

Dimensioni: Foro: 95 mm Diametro: 170 mm Spessore: 43 mm Peso: 3,78 kg


Dettagli

  • EAN-Code : 07316577036179
  • Taric number : 84825000

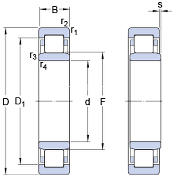
Dimensioni
d 95mm
D 170mm
B 43mm
D1147.4mm
F 112.5mm
r1,2min.2.1mm
r3,4min.2.1mm
smax.3mm
Dimensioni Dello Spallamento
damin.107mm
damax.110mm
dbmin.115mm
Damax.157.8mm
ramax.2mm
rbmax.2mm
Dati Di Calcolo
Coefficiente di carico dinamicoC 325kN
Coefficiente di carico statico di baseC0 375kN
Carico limite di faticaPu 45.5kN
Velocità di riferimento  4300r/min
Velocità limite  4800r/min
Fattore di calcolokr 0.2 
Calculation Data
Calcolo del carico: Valore limitee 0.3 
Calcolo del carico: Fattore di calcoloY 0.4 
Massa
Massa cuscinetto  3.78kg