Non ci sono articoli nel tuo carrello
SCHEDA ARTICOLO

NU 222 ECM

CUSCINETTO
Codice: K4535
Disponibilità: Disp. limitata
Disponibilità: 2 disponibile
Marca: SKF
Unità di misura: NR
Quantitativi ammessi: multipli di 1X
Da preventivare

Descrizione

Dimensioni: Foro: 110 mm Diametro: 200 mm Spessore: 38 mm Peso: 5,433 kg


Dettagli

  • EAN-Code : 07316576624315
  • Taric number : 84825000

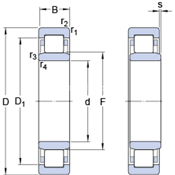
Dimensioni
d 110mm
D 200mm
B 38mm
D1172.5mm
F 132.5mm
r1,2min.2.1mm
r3,4min.2.1mm
smax.2.1mm
Dimensions
Dimensioni Dello Spallamento
damin.122mm
damax.129mm
dbmin.135mm
Damax.187mm
ramax.2mm
rbmax.2mm
Dati Di Calcolo
Coefficiente di carico dinamicoC 335kN
Coefficiente di carico statico di baseC0 365kN
Carico limite di faticaPu 42.5kN
Velocità di riferimento  3600r/min
Velocità limite  4000r/min
Fattore di calcolokr 0.15 
Calculation Data
Calcolo del carico: Valore limitee 0.2 
Calcolo del carico: Fattore di calcoloY 0.6 
Massa
Massa cuscinetto  5.43kg