Non ci sono articoli nel tuo carrello
SCHEDA ARTICOLO

NU 2220 ECJ

CUSCINETTO
Codice: 51145
Disponibilità: Disp. limitata
Disponibilità: 4 disponibile
Marca: SKF
Unità di misura: NR
Quantitativi ammessi: multipli di 1X
€457,27

Descrizione

Dimensioni: Foro: 100 mm Diametro: 180 mm Spessore: 46 mm Peso: 4,805 kg


Dettagli

  • EAN-Code :
  • Taric number : 84825000

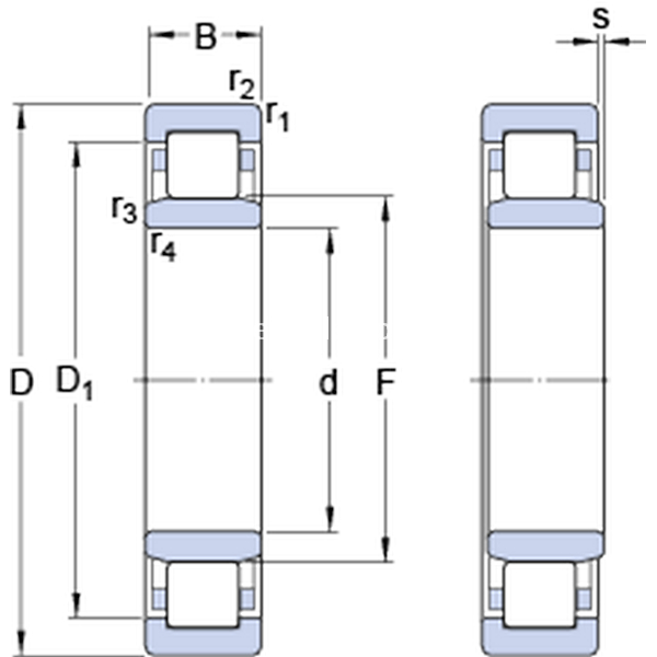
Dimensioni
d 100mm
D 180mm
B 46mm
D1155.6mm
F 119mm
r1,2min.2.1mm
r3,4min.2.1mm
smax.2.5mm
Dimensions
Dimensioni Dello Spallamento
damin.113mm
damax.116mm
dbmin.122mm
Damax.167.5mm
ramax.2mm
rbmax.2mm
Dati Di Calcolo
Coefficiente di carico dinamicoC 380kN
Coefficiente di carico statico di baseC0 450kN
Carico limite di faticaPu 54kN
Velocità di riferimento  4000r/min
Velocità limite  4500r/min
Fattore di calcolokr 0.2 
Calculation Data
Calcolo del carico: Valore limitee 0.3 
Calcolo del carico: Fattore di calcoloY 0.4 
Massa
Massa cuscinetto  4.8kg