Non ci sono articoli nel tuo carrello
SCHEDA ARTICOLO

NU 2220 ECJ/C3

CUSCINETTO
Codice: Z3668
Disponibilità: Non disponibile
Disponibilità: Disponibile
Marca: SKF
Unità di misura: NR
Quantitativi ammessi: multipli di 1X
Da preventivare

Descrizione



  • EAN-Code :
  • Taric number : 84825000

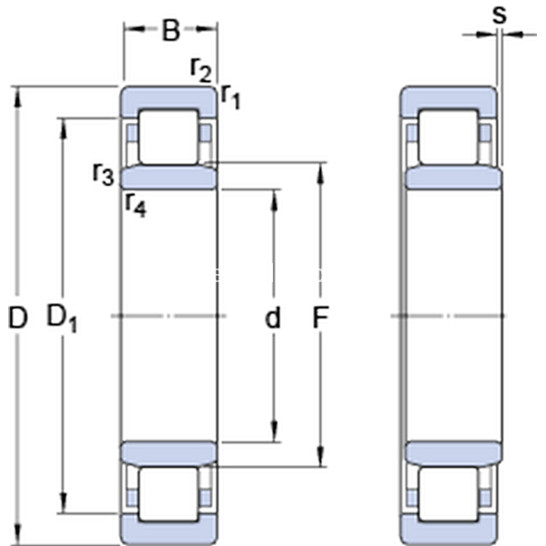
Dimensioni
d 100mm
D 180mm
B 46mm
D1155.6mm
F 119mm
r1,2min.2.1mm
r3,4min.2.1mm
smax.2.5mm
Dimensions
Dimensioni Dello Spallamento
damin.113mm
damax.116mm
dbmin.122mm
Damax.167.5mm
ramax.2mm
rbmax.2mm
Dati Di Calcolo
Coefficiente di carico dinamicoC 380kN
Coefficiente di carico statico di baseC0 450kN
Carico limite di faticaPu 54kN
Velocità di riferimento  4000r/min
Velocità limite  4500r/min
Fattore di calcolokr 0.2 
Calculation Data
Calcolo del carico: Valore limitee 0.3 
Calcolo del carico: Fattore di calcoloY 0.4 
Massa
Massa cuscinetto  4.8kg