Non ci sono articoli nel tuo carrello
SCHEDA ARTICOLO

NU 2224 ECJ

CUSCINETTO
Codice: 35137
Disponibilità: Disp. limitata
Disponibilità: 2 disponibile
Marca: SKF
Unità di misura: NR
Quantitativi ammessi: multipli di 1X
€722,70

Descrizione

Dimensioni: Foro: 120 mm Diametro: 215 mm Spessore: 58 mm Peso: 8,505 kg


Dettagli

  • EAN-Code : 07316577113832
  • Taric number : 84825000

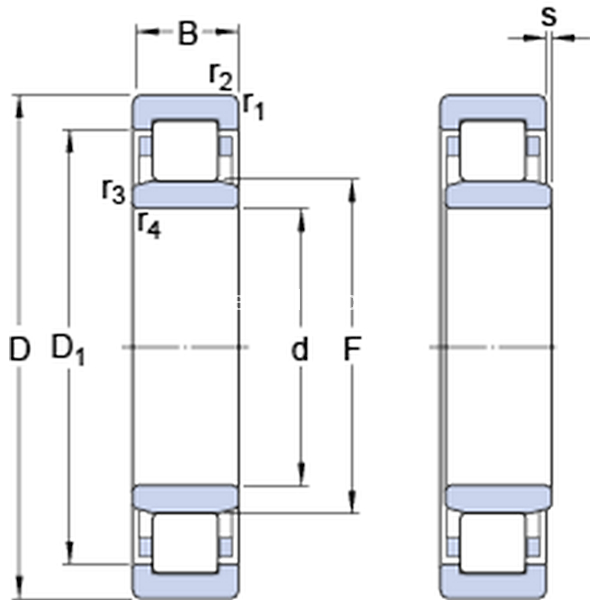
Dimensioni
d 120mm
D 215mm
B 58mm
D1186.95mm
F 143.5mm
r1,2min.2.1mm
r3,4min.2.1mm
smax.3.8mm
Dimensions
Dimensioni Dello Spallamento
damin.132mm
damax.140mm
dbmin.146mm
Damax.201.6mm
ramax.2mm
rbmax.2mm
Dati Di Calcolo
Coefficiente di carico dinamicoC 520kN
Coefficiente di carico statico di baseC0 630kN
Carico limite di faticaPu 72kN
Velocità di riferimento  3400r/min
Velocità limite  3600r/min
Fattore di calcolokr 0.2 
Calculation Data
Calcolo del carico: Valore limitee 0.3 
Calcolo del carico: Fattore di calcoloY 0.4 
Massa
Massa cuscinetto  8.51kg