Non ci sono articoli nel tuo carrello
SCHEDA ARTICOLO

NU 224 ECM/C3

CUSCINETTO
Codice: 86008
Disponibilità: Non disponibile
Disponibilità: Disponibile
Marca: SKF
Unità di misura: NR
Quantitativi ammessi: multipli di 1X
Da preventivare

Descrizione

Dimensioni: Foro: 120 mm Diametro: 215 mm Spessore: 40 mm Peso: 6,56 kg


Dettagli

  • EAN-Code : 07316577040190
  • Taric number : 84825000

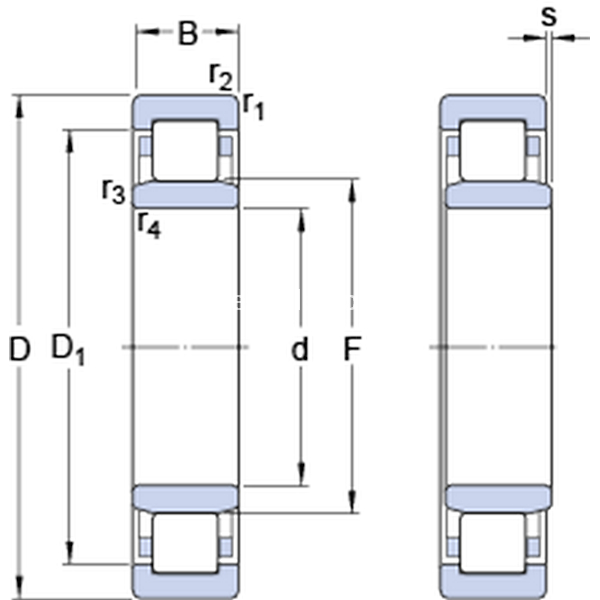
Dimensioni
d 120mm
D 215mm
B 40mm
D1186.83mm
F 143.5mm
r1,2min.2.1mm
r3,4min.2.1mm
smax.1.9mm
Dimensions
Dimensioni Dello Spallamento
damin.132mm
damax.140mm
dbmin.146mm
Damax.201.6mm
ramax.2mm
rbmax.2mm
Dati Di Calcolo
Coefficiente di carico dinamicoC 390kN
Coefficiente di carico statico di baseC0 430kN
Carico limite di faticaPu 49kN
Velocità di riferimento  3400r/min
Velocità limite  3600r/min
Fattore di calcolokr 0.15 
Calculation Data
Calcolo del carico: Valore limitee 0.2 
Calcolo del carico: Fattore di calcoloY 0.6 
Massa
Massa cuscinetto  6.56kg