Non ci sono articoli nel tuo carrello
SCHEDA ARTICOLO

NU 2256 ECMA

CUSCINETTO
Codice: P4133
Disponibilità: Non disponibile
Disponibilità: Disponibile
Marca: SKF
Unità di misura: NR
Quantitativi ammessi: multipli di 1X
Da preventivare

Descrizione

Dimensioni: Foro: 280 mm Diametro: 500 mm Spessore: 130 mm Peso: 117 kg


Dettagli

  • EAN-Code : 07316571047966
  • Taric number : 84825000

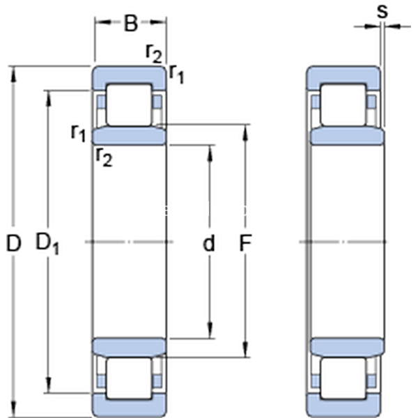
Dimensioni
d 280mm
D 500mm
B 130mm
D1433mm
F 333mm
r1,2min.5mm
smax.10.2mm
Dimensioni Dello Spallamento
damin.300mm
damax.320mm
dbmin.331mm
Damax.480mm
ramax.4mm
Dati Di Calcolo
Coefficiente di carico dinamicoC 2200kN
Coefficiente di carico statico di baseC0 3450kN
Carico limite di faticaPu 305kN
Velocità di riferimento  1200r/min
Velocità limite  1900r/min
Fattore di calcolokr 0.2 
Calculation Data
Calcolo del carico: Valore limitee 0.3 
Calcolo del carico: Fattore di calcoloY 0.4 
Massa
Massa cuscinetto  115kg