Non ci sono articoli nel tuo carrello
SCHEDA ARTICOLO

NU 226 ECM

CUSCINETTO
Codice: W2388
Disponibilità: Disp. limitata
Disponibilità: 2 disponibile
Marca: SKF
Unità di misura: NR
Quantitativi ammessi: multipli di 1X
Da preventivare

Descrizione

Dimensioni: Foro: 130 mm Diametro: 230 mm Spessore: 40 mm Peso: 7,415 kg


Dettagli

  • EAN-Code : 07316576625862
  • Taric number : 84825000

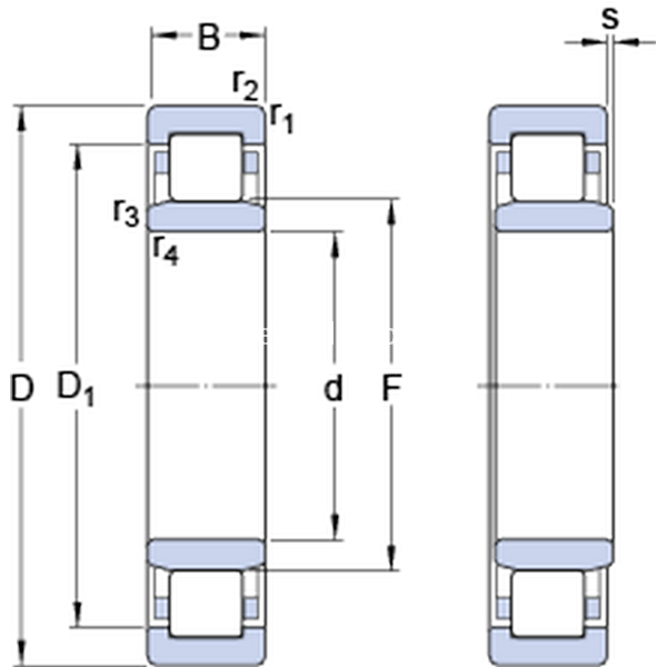
Dimensioni
d 130mm
D 230mm
B 40mm
D1200.3mm
F 153.5mm
r1,2min.3mm
r3,4min.3mm
smax.2.1mm
Dimensions
Dimensioni Dello Spallamento
damin.144mm
damax.150mm
dbmin.157mm
Damax.215.4mm
ramax.2.5mm
rbmax.2.5mm
Dati Di Calcolo
Coefficiente di carico dinamicoC 415kN
Coefficiente di carico statico di baseC0 455kN
Carico limite di faticaPu 51kN
Velocità di riferimento  3200r/min
Velocità limite  3400r/min
Fattore di calcolokr 0.15 
Calculation Data
Calcolo del carico: Valore limitee 0.2 
Calcolo del carico: Fattore di calcoloY 0.6 
Massa
Massa cuscinetto  7.42kg