Non ci sono articoli nel tuo carrello
SCHEDA ARTICOLO

NU 2268 MA

CUSCINETTO
Codice: H9402
Disponibilità: Non disponibile
Disponibilità: Disponibile
Marca: SKF
Unità di misura: NR
Quantitativi ammessi: multipli di 1X
Da preventivare

Descrizione

Dimensioni: Foro: 340 mm Diametro: 620 mm Spessore: 165 mm


Dettagli

  • EAN-Code : 07316577033352
  • Taric number : 84825000

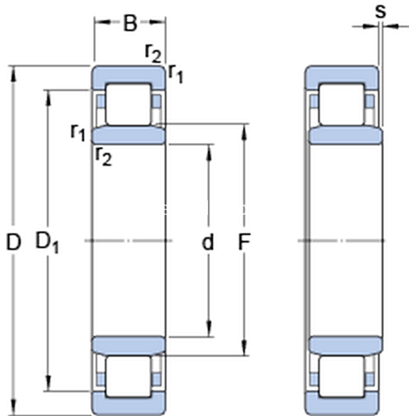
Dimensioni
d 340mm
D 620mm
B 165mm
D1515mm
F 416mm
r1,2min.6mm
smax.8mm
Dimensioni Dello Spallamento
damin.366mm
damax.401mm
dbmin.421mm
Damax.594mm
ramax.5mm
Dati Di Calcolo
Coefficiente di carico dinamicoC 2640kN
Coefficiente di carico statico di baseC0 4500kN
Carico limite di faticaPu 365kN
Velocità di riferimento  1000r/min
Velocità limite  1500r/min
Fattore di calcolokr 0.3 
Calculation Data
Calcolo del carico: Valore limitee 0.3 
Calcolo del carico: Fattore di calcoloY 0.4 
Massa
Massa cuscinetto  226kg