Non ci sono articoli nel tuo carrello
SCHEDA ARTICOLO

NU 2272 MA

CUSCINETTO
Codice: BB749
Disponibilità: Non disponibile
Disponibilità: Disponibile
Marca: SKF
Unità di misura: NR
Quantitativi ammessi: multipli di 1X
Da preventivare

Descrizione



  • EAN-Code : 07316570376517
  • Taric number : 84825000

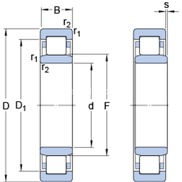
Dimensioni
d 360mm
D 650mm
B 170mm
D1542mm
F 437mm
r1,2min.6mm
smax.16.7mm
Dimensioni Dello Spallamento
damin.386mm
damax.428mm
dbmin.442mm
Damax.624mm
ramax.5mm
Dati Di Calcolo
Coefficiente di carico dinamicoC 2920kN
Coefficiente di carico statico di baseC0 4900kN
Carico limite di faticaPu 400kN
Velocità di riferimento  950r/min
Velocità limite  1400r/min
Fattore di calcolokr 0.2 
Calculation Data
Calcolo del carico: Valore limitee 0.3 
Calcolo del carico: Fattore di calcoloY 0 
Massa
Massa cuscinetto  257kg