Non ci sono articoli nel tuo carrello
SCHEDA ARTICOLO

NU 228 ECML/C3

CUSCINETTO
Codice: 90739
Disponibilità: Disp. limitata
Disponibilità: 2 disponibile
Marca: SKF
Unità di misura: NR
Quantitativi ammessi: multipli di 1X
Da preventivare

Descrizione

Dimensioni: Foro: 140 mm Diametro: 250 mm Spessore: 42 mm Peso: 9,028 kg


Dettagli

  • EAN-Code :
  • Taric number : 84825000

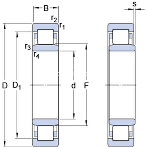
Dimensioni
d 140mm
D 250mm
B 42mm
D1216.7mm
F 169mm
r1,2min.3mm
r3,4min.3mm
smax.2.5mm
Dimensions
Dimensioni Dello Spallamento
damin.154mm
damax.165mm
dbmin.172mm
Damax.235mm
ramax.2.5mm
rbmax.2.5mm
Dati Di Calcolo
Coefficiente di carico dinamicoC 450kN
Coefficiente di carico statico di baseC0 510kN
Carico limite di faticaPu 57kN
Velocità di riferimento  2800r/min
Velocità limite  4800r/min
Fattore di calcolokr 0.23 
Calculation Data
Calcolo del carico: Valore limitee 0.2 
Calcolo del carico: Fattore di calcoloY 0.6 
Massa
Massa cuscinetto  9.24kg