Non ci sono articoli nel tuo carrello
SCHEDA ARTICOLO

NU 230 ECM

CUSCINETTO
Codice: N5189
Disponibilità: Non disponibile
Disponibilità: Disponibile
Marca: SKF
Unità di misura: NR
Quantitativi ammessi: multipli di 1X
Da preventivare

Descrizione

Dimensioni: Foro: 150 mm Diametro: 270 mm Spessore: 45 mm Peso: 11,67 kg


Dettagli

  • EAN-Code : 07316571737423
  • Taric number : 84825000

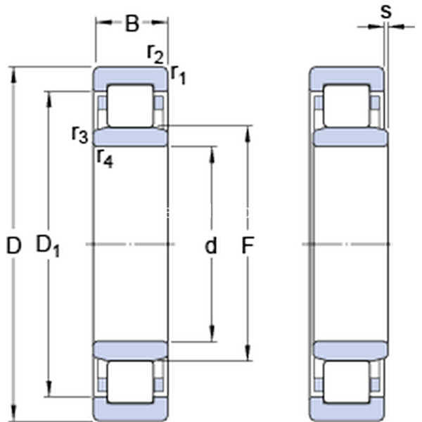
Dimensioni
d 150mm
D 270mm
B 45mm
D1232.35mm
F 182mm
r1,2min.3mm
r3,4min.3mm
smax.2.5mm
Dimensions
Dimensioni Dello Spallamento
damin.164mm
damax.178mm
dbmin.186mm
Damax.254.6mm
ramax.2.5mm
rbmax.2.5mm
Dati Di Calcolo
Coefficiente di carico dinamicoC 510kN
Coefficiente di carico statico di baseC0 600kN
Carico limite di faticaPu 64kN
Velocità di riferimento  2600r/min
Velocità limite  2800r/min
Fattore di calcolokr 0.15 
Calculation Data
Calcolo del carico: Valore limitee 0.2 
Calcolo del carico: Fattore di calcoloY 0.6 
Massa
Massa cuscinetto  11.6kg