Non ci sono articoli nel tuo carrello
SCHEDA ARTICOLO

NU 2306 ECP

CUSCINETTO
Codice: 42286
Disponibilità: Disp. limitata
Disponibilità: 4 disponibile
Marca: SKF
Unità di misura: NR
Quantitativi ammessi: multipli di 1X
€65,51

Descrizione

Dimensioni: Foro: 30 mm Diametro: 72 mm Spessore: 27 mm Peso: 0,527 kg


Dettagli

  • EAN-Code : 07316577029140
  • Taric number : 84825000

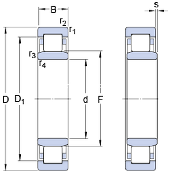
Dimensioni
d 30mm
D 72mm
B 27mm
D158.35mm
F 40.5mm
r1,2min.1.1mm
r3,4min.1.1mm
smax.2.4mm
Dimensioni Dello Spallamento
damin.37mm
damax.39mm
dbmin.43mm
Damax.65.1mm
ramax.1mm
rbmax.1mm
Dati Di Calcolo
Coefficiente di carico dinamicoC 83kN
Coefficiente di carico statico di baseC0 75kN
Carico limite di faticaPu 9.65kN
Velocità di riferimento  11000r/min
Velocità limite  12000r/min
Fattore di calcolokr 0.25 
Calculation Data
Calcolo del carico: Valore limitee 0.3 
Calcolo del carico: Fattore di calcoloY 0.4 
Massa
Massa cuscinetto  0.53kg