Non ci sono articoli nel tuo carrello
SCHEDA ARTICOLO

NU 2307 ECP

CUSCINETTO
Codice: 20593
Disponibilità: disponibile
Disponibilità: 6 disponibile
Marca: SKF
Unità di misura: NR
Quantitativi ammessi: multipli di 1X
€71,30

Descrizione

Dimensioni: Foro: 35 mm Diametro: 80 mm Spessore: 31 mm Peso: 0,719 kg


Dettagli

  • EAN-Code : 07316577022486
  • Taric number : 84825000

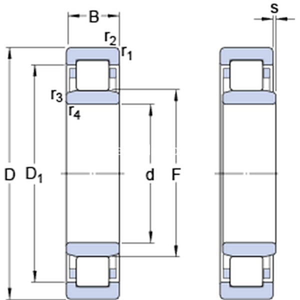
Dimensioni
d 35mm
D 80mm
B 31mm
D165.8mm
F 46.2mm
r1,2min.1.5mm
r3,4min.1.1mm
smax.2.7mm
Dimensioni Dello Spallamento
damin.42mm
damax.44mm
dbmin.48mm
Damax.72.2mm
ramax.1.5mm
rbmax.1mm
Dati Di Calcolo
Coefficiente di carico dinamicoC 106kN
Coefficiente di carico statico di baseC0 98kN
Carico limite di faticaPu 12.7kN
Velocità di riferimento  9500r/min
Velocità limite  11000r/min
Fattore di calcolokr 0.25 
Calculation Data
Calcolo del carico: Valore limitee 0.3 
Calcolo del carico: Fattore di calcoloY 0.4 
Massa
Massa cuscinetto  0.72kg