Non ci sono articoli nel tuo carrello
SCHEDA ARTICOLO

NU 2308 ECJ/C3

CUSCINETTO
Codice: 61645
Disponibilità: Non disponibile
Disponibilità: Disponibile
Marca: SKF
Unità di misura: NR
Quantitativi ammessi: multipli di 1X
Da preventivare

Descrizione

Dimensioni: Foro: 40 mm Diametro: 90 mm Spessore: 33 mm Peso: 0,96 kg


Dettagli

  • EAN-Code : 07316570047608
  • Taric number : 84825000

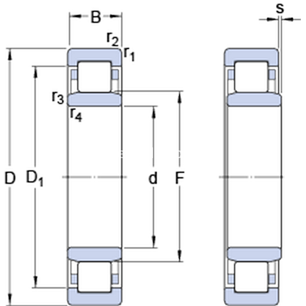
Dimensioni
d 40mm
D 90mm
B 33mm
D175mm
F 52mm
r1,2min.1.5mm
r3,4min.1.5mm
smax.2.9mm
Dimensioni Dello Spallamento
damin.48mm
damax.50mm
dbmin.54mm
Damax.81.8mm
ramax.1.5mm
rbmax.1.5mm
Dati Di Calcolo
Coefficiente di carico dinamicoC 129kN
Coefficiente di carico statico di baseC0 120kN
Carico limite di faticaPu 15.3kN
Velocità di riferimento  8000r/min
Velocità limite  9500r/min
Fattore di calcolokr 0.25 
Calculation Data
Calcolo del carico: Valore limitee 0.3 
Calcolo del carico: Fattore di calcoloY 0.4 
Massa
Massa cuscinetto  0.96kg