Non ci sono articoli nel tuo carrello
SCHEDA ARTICOLO

NU 2311 ECML

CUSCINETTO
Codice: S9382
Disponibilità: Non disponibile
Disponibilità: Disponibile
Marca: SKF
Unità di misura: NR
Quantitativi ammessi: multipli di 1X
Da preventivare

Descrizione

Dimensioni: Foro: 55 mm Diametro: 120 mm Spessore: 43 mm Peso: 2,427 kg


Dettagli

  • EAN-Code : 07316570392975
  • Taric number : 84825000

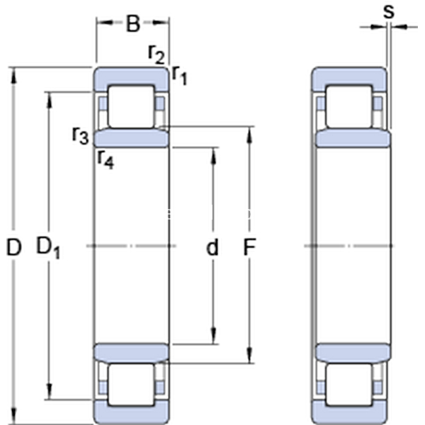
Dimensioni
d 55mm
D 120mm
B 43mm
D1101mm
F 70.5mm
r1,2min.2mm
r3,4min.2mm
smax.3.5mm
Dimensions
Dimensioni Dello Spallamento
damin.65mm
damax.68mm
dbmin.73mm
Damax.109.2mm
ramax.2mm
rbmax.2mm
Dati Di Calcolo
Coefficiente di carico dinamicoC 232kN
Coefficiente di carico statico di baseC0 232kN
Carico limite di faticaPu 30.5kN
Velocità di riferimento  6000r/min
Velocità limite  11000r/min
Fattore di calcolokr 0.38 
Calculation Data
Calcolo del carico: Valore limitee 0.3 
Calcolo del carico: Fattore di calcoloY 0.4 
Massa
Massa cuscinetto  2.43kg