Non ci sono articoli nel tuo carrello
SCHEDA ARTICOLO

NU 2313 ECML/C3

CUSCINETTO
Codice: 67941
Disponibilità: Disp. limitata
Disponibilità: 4 disponibile
Marca: SKF
Unità di misura: NR
Quantitativi ammessi: multipli di 1X
Da preventivare

Descrizione

Dimensioni: Foro: 65 mm Diametro: 140 mm Spessore: 48 mm Peso: 3,6 kg


Dettagli

  • EAN-Code : 07316577728692
  • Taric number : 84825000

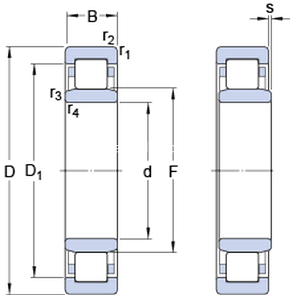
Dimensioni
d 65mm
D 140mm
B 48mm
D1118.1mm
F 82.5mm
r1,2min.2.1mm
r3,4min.2.1mm
smax.4.7mm
Dimensions
Dimensioni Dello Spallamento
damin.77mm
damax.80mm
dbmin.85mm
Damax.127.8mm
ramax.2mm
rbmax.2mm
Dati Di Calcolo
Coefficiente di carico dinamicoC 285kN
Coefficiente di carico statico di baseC0 290kN
Carico limite di faticaPu 38kN
Velocità di riferimento  5300r/min
Velocità limite  9500r/min
Fattore di calcolokr 0.38 
Calculation Data
Calcolo del carico: Valore limitee 0.3 
Calcolo del carico: Fattore di calcoloY 0.4 
Massa
Massa cuscinetto  3.72kg