Non ci sono articoli nel tuo carrello
SCHEDA ARTICOLO

NU 2314 ECML/C3

CUSCINETTO
Codice: C6037
Disponibilità: disponibile
Disponibilità: 6 disponibile
Marca: SKF
Unità di misura: NR
Quantitativi ammessi: multipli di 1X
Da preventivare

Descrizione

Dimensioni: Foro: 70 mm Diametro: 150 mm Spessore: 51 mm Peso: 4,421 kg


Dettagli

  • EAN-Code : 07316577727275
  • Taric number : 84825000

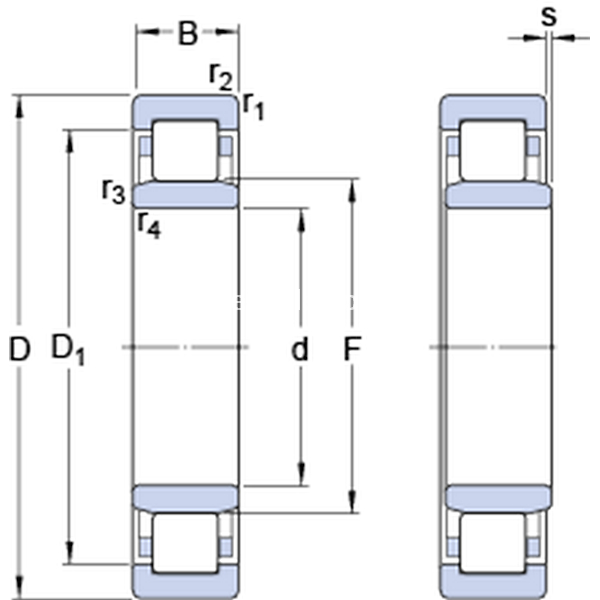
Dimensioni
d 70mm
D 150mm
B 51mm
D1126.35mm
F 89mm
r1,2min.2.1mm
r3,4min.2.1mm
smax.4.8mm
Dimensions
Dimensioni Dello Spallamento
damin.82mm
damax.86mm
dbmin.92mm
Damax.137.5mm
ramax.2mm
rbmax.2mm
Dati Di Calcolo
Coefficiente di carico dinamicoC 315kN
Coefficiente di carico statico di baseC0 325kN
Carico limite di faticaPu 41.5kN
Velocità di riferimento  4800r/min
Velocità limite  8500r/min
Fattore di calcolokr 0.38 
Calculation Data
Calcolo del carico: Valore limitee 0.3 
Calcolo del carico: Fattore di calcoloY 0.4 
Massa
Massa cuscinetto  4.42kg