Non ci sono articoli nel tuo carrello
SCHEDA ARTICOLO

NU 2315 ECML/C3B20

CUSCINETTO
Codice: 81575
Disponibilità: Non disponibile
Disponibilità: Disponibile
Marca: SKF
Unità di misura: NR
Quantitativi ammessi: multipli di 1X
Da preventivare

Descrizione

Dimensioni: Foro: 75 mm Diametro: 160 mm Spessore: 55 mm


Dettagli

  • EAN-Code :
  • Taric number : 84825000

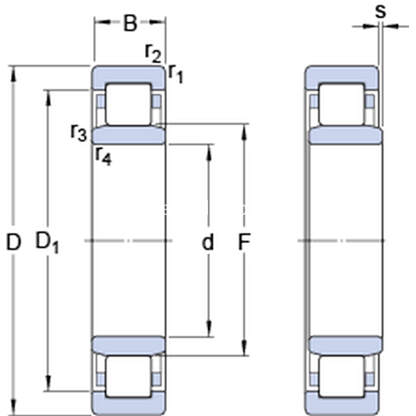
Dimensioni
d 75mm
D 160mm
B 55mm
D1135.75mm
F 95mm
r1,2min.2.1mm
r3,4min.2.1mm
smax.4.8mm
Dimensions
Dimensioni Dello Spallamento
damin.87mm
damax.92mm
dbmin.97mm
Damax.148mm
ramax.2mm
rbmax.2mm
Dati Di Calcolo
Coefficiente di carico dinamicoC 380kN
Coefficiente di carico statico di baseC0 400kN
Carico limite di faticaPu 50kN
Velocità di riferimento  4500r/min
Velocità limite  8000r/min
Fattore di calcolokr 0.38 
Calculation Data
Calcolo del carico: Valore limitee 0.3 
Calcolo del carico: Fattore di calcoloY 0.4 
Massa
Massa cuscinetto  5.43kg